ul. Tomasza Zana 8A, 60-691 Poznań
+48 888 850 800

Jak to działa?

W niniejszym artykule postaramy się opisać cechy poszczególnych rozwiązań napędowych stosowanych w rowerach elektrycznych.

Jak działa silnik BLDC?

Rolą sterownika silnika BLDC (ang. brushless direct current motor) jest szybkie kierowanie prądu stałego na odpowiednie uzwojenia silnika za pomocą 3 przewodów nazywanych umownie przewodami fazowymi. Liczba 3 wzięła się stąd, że każdy magnes ma dwa bieguny i konieczne jest zapewnienie niewielkiej nierównowagi pomiędzy biegunami magnetycznymi a biegunami elektromagnetycznymi, tworzonymi w określonym porządku przez cewki. Nierównowaga ta gwarantuje bezproblemowy start wirnika i późniejszą efektywną pracę silnika. To dlatego silniki BLDC mają zawsze wyprowadzone 3 grube przewody (które umownie zawsze przyjmują barwy: żółtą, niebieską i zieloną).

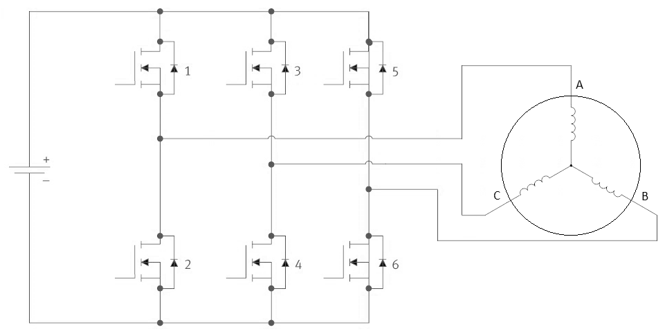
Kierowanie prądu stałego na odpowiednie uzwojenia odbywa się za pomocą 6 mosfetów (które działają dokładnie jak włączniki: włącz–wyłącz). W mocniejszych sterownikach mosfety te są zwielokrotnione. Steruje nimi odpowiednio zaprogramowany mikrokontroler. Schemat ideowy całego systemu BLDC (bateria, sterownik z 6 mosfetami i silnik) przedstawiono na poniższej ilustracji:

Schemat ideowy sterownika BLDC

W celu wytworzenia wirowego pola elektromagnetycznego w silniku, konieczne jest zamykanie obwodu przez wspomniane 6 mosfetów w określonym porządku. Aby nie doszło do zwarcia, w stan przewodzenia na raz może być postawiony tylko jeden górny mosfet i jeden dolny mosfet. W rezultacie prąd przepływa przez konkretne cewki w stojanie według porządku określonego przez 6-krokowy cykl, który przedstawiono na ilustracji poniżej:

Cykl pracy sterownika BLDC

Wirnik obraca się zgodnie z ruchem wskazówek zegara. W pierwszym kroku prąd przepływa fazą A do cewki A, następnie do cewki B i wypływa z silnika fazą B. Faza C nie jest w ogóle wykorzystywana w tym kroku (nie ma w niej żadnego przepływu prądu). W drugim kroku mosfety przełączają się w taką konfigurację, aby prąd najpierw przepłynął przez cewkę C, a następnie przez cewkę B. W tym kroku faza A nie jest wykorzystywana. W kolejnym kroku mosfety muszą umożliwić przepływ prądu z cewki C do cewki A, itd. Aby prąd przepływał przez cewki w zaplanowany sposób i nie dochodziło do zwarć, należy włączać i wyłączać odpowiednie mosfety według określonego schematu, przedstawionego w poniższej tabeli:

Krok 1 2 3 4 5 6
Włączone mosfety 1 i 6 3 i 6 3 i 2 5 i 2 5 i 4 1 i 4

Powyższe ilustracje przedstawiają uproszczony schemat, gdzie występują tylko 3 cewki. W prawdziwych silnikach, dla zwiększenia mocy i momentu obrotowego, ich liczba jest wielokrotnością liczby 3 (np. w silniku od hulajnogi Xiaomi znajduje się 27 cewek). Z kolei dla zagwarantowania możliwości ruszenia z miejsca, liczba magnesów w wirniku jest zawsze inna i jest liczbą parzystą (np. w silniku od hulajnogi Xiaomi znajduje się 30 magnesów). Uproszczony schemat silnika BLDC zaprezentowano poniżej:

Schemat uzwojeń w silniku BLDC

Ilustracja powyżej przedstawia schemat standardowego silnika BLDC stosowanego w rowerach elektrycznych, hulajnogach oraz dronach, gdzie stojan z cewkami znajduje się w centralnej części silnika i jest nieruchomo przytwierdzony do ramy pojazdu, zaś wirnik z magnesami trwałymi (neodymowymi) stanowi wirującą obudowę osadzoną na łożyskach.

Wnętrze silnika BLDC

Sterownik w trakcie uruchamiania silnika wykrywa położenie wirnika względem stojana za pomocą 3 precyzyjnie osadzonych w stojanie czujników Halla.

Czujniki Halla

Dzięki czujnikom Halla sterownik od razu przechodzi do odpowiedniego kroku, oferując od samego startu pełną moc i moment obrotowy. Ponadto czujniki Halla dostarczają niezwykle ważnej informacji, kiedy sterownik ma przejść do następnego kroku (tzw. komutacja). Pochodną informacją z czujników Halla jest wartość obrotów silnika (RPM), która z kolei może być dalej wykorzystywana do obliczania prędkości w km/h (przy założeniu, że sterownik ma zapisaną w pamięci wartość średnicy koła). Systemy BLDC (silnik + sterownik), w których do poprawnego działania niezbędne są czujniki Halla nazywamy czujnikowymi. Są one przeznaczone dla pojazdów elektrycznych, gdzie występują specyficzne warunki pracy, tzn. ruszanie z miejsca przy sporym obciążeniu, przy stosunkowo niewielkich prędkościach obrotowych. Z kolei np. w dronach popularniejsze są rozwiązania bezczujnikowe, gdyż rozruch silnika następuje bez obciążenia, które pojawia się dopiero po osiągnięciu przez silnik (i osadzone na nim śmigło) znacznej prędkości obrotowej.

Strategie pracy sterownika silnika BLDC

KWADRAT (TRAPEZ)

W powyższym omówieniu przedstawiono najprostszy przykład pojazdu elektrycznego napędzanego systemem BLDC, gdzie kolejne kroki przełączania prądu stałego zasilającego fazy A, B i C wyzwalane są za pomocą zmian odczytów z cyfrowych czujników Halla. Przykład kompletnego algorytmu sterowania prądem dla takiego sterownika przedstawiono na wykresie poniżej:

Algorytm sterowania kwadratowego

Taki prosty, niezmodulowany typ przełączania prądu stałego poprzez 3 przewody fazowe to strategia pracy o przebiegu kwadratowym (prostokątnym). Nazwa wzięła się stąd, że gdybyśmy podłączyli jedną z 3 faz takiego napędu do oscyloskopu, zobaczylibyśmy na ekranie przebieg napięcia o kształcie prostokąta, czyli włącz–wyłącz, tak jak na zdjęciu poniżej:

Wykres napięcia na fazie BLDC sterowanej falą kwadratową

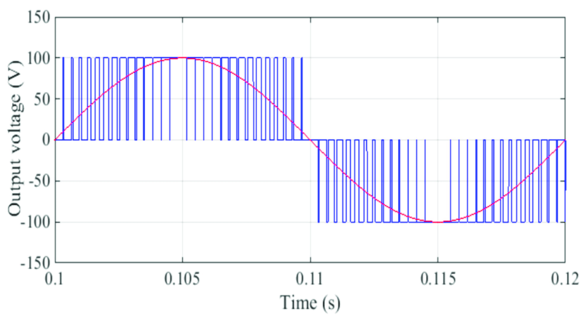
W rzeczywistości przebiegi napięcia mają kształt bardziej zbliżony do trapezu (szczególnie przy wyższych prędkościach obrotowych), gdyż w cewkach silnika indukuje się dodatkowe napięcie. Dlatego wykres prądu i napięcia na trzech fazach w takim systemie prezentuje się następująco.

Wykres trapezoidalny prądu i napięcia na fazach silnika BLDC

Warto zauważyć, że w przypadku szybko obracających się silników, indukowane napięcie jest na tyle duże, że możliwe jest wykorzystywanie odczytów jego zmian jako sygnału do przełączania kolejnych kroków. Pozwala to uprościć konstrukcję systemu poprzez eliminację czujników Halla. Odczyt taki realizowany jest poprzez analizę napięcia na wszystkich trzech przewodach fazowych wewnątrz sterownika. Na poniższym wykresie czerwonymi kropkami zaznaczono punkty przejścia przez zero na trzech trapezoidalnych przebiegach napiecia.

Punkty przejścia przez zero

Mikrokontroler w sterowniku skanuje zmiany napięcia na przewodach fazowych, a następnie je sumuje w celu wyznaczenia punktów przejścia przez zero. Po ich wykryciu natychmiast przełącza mosfety odpowiednio do kolejnego kroku. Zjawisko samoindukcji w silnikach BLDC nosi nazwę Back Electromotive Force (w skrócie: back-EMF). Sterowanie na nim oparte jest szczególnie popularne w silnikach dronów.

SINUS

W celu zwiększenia efektywności napędu oraz redukcji hałasu, udoskonalono algorytm sterowania poprzez dodanie modulacji szerokości impulsów (w skrócie PWM – pulse width modulation) do systemu ze strategią na kwadrat. Aby sterownik mógł zastosować PWM, musi być wyposażony w szybki mikrokontroler oraz szybkie mosfety. W systemach ze strategią sinusoidalną w ciągu jednego kroku mosfety włączają się i wyłączają się kilka tysięcy razy. Przykładowy odczyt z oscyloskopu podłączonego do jednej z 3 faz takiego sterownika przedstawiono poniżej:

Odczyt z oscyloskopu dla fazy silnika BLDC sterowanego sinusoidalnie

W skali całego napędu BLDC sterowaniego sinusoidalnie, przebiegi napięcia dla 3 faz wyglądają następująco:

Przebiegi napięcia trzech faz BLDC sterowanych sinusoidalnie

FOC

Dalszym rozwinięciem strategii sterowania sinusoidalnego jest strategia Field-Oriented Control (w skrócie FOC), nazywana też sterowaniem wektorowym. Strategia ta w dużym uproszczeniu polega na dodaniu dużej liczby dodatkowych, „wirtualnych” biegunów magnetycznych do standardowej liczby 6 biegunów w uzwojeniu stojana.

FOC

Odbywa się to poprzez wzajemne nakładanie się na siebie sąsiednich 6 kroków z wykorzystaniem techniki PWM. Dodatkowo wyrównuje się wartość momentu obrotowego w trakcie obrotu wirnika poprzez wprowadzenie 2 dodatkowych stanów przełączania mosfetów: stanu, gdy wszystkie 3 cewki są zwarte ze sobą i stanu, gdy przez żadną z 3 cewkek nie płynie prąd. Ponadto sterownik jest FOC wyposażony w system sprzężenia zwrotnego opartego o algorytm PID, który dzięki technice PWM może natychmiastowo zwiększyć lub zmniejszyć moment obrotowy.